Curtain rods
The curtain rod is designed to attach a shower curtain in the bathroom.
We produce it in three versions:
- curtain rod
length 900, 1,200, 1,500 mm (other dimensions can be made to order), used for attachment to two walls
- corner curtain rod
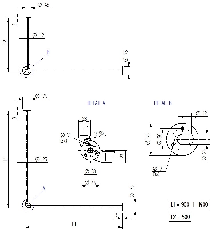
dimensions 900 x 900 mm, 1,400 x 1,400 mm (other dimensions can be made to order), used for fixing in the corner of the room, with ceiling mounting, L=500 mm, with flanges.
- U-shaped curtain rod
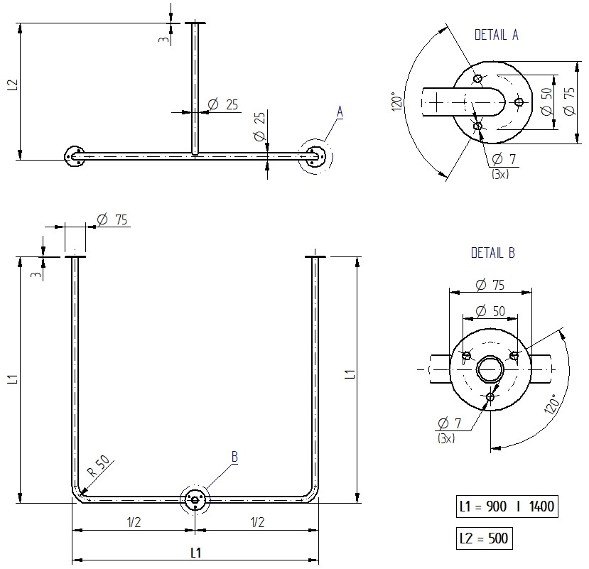
dimensions 900 x 900 x 900 mm, 1,400 x 1 400 x 1400 mm (other dimensions can be made to order), used for mounting on one wall, with ceiling mounting, L=500 mm, with flanges.
The curtain rods are produced in the following surface finishes:
- Shiny
- Brushed (ground)
Complete delivery
- Hanging rod
- Fastening material
- curtain rod
- Length 900, 1200, 1500 mm
- Stainless steel tube: d=30; d=25 mm;
- corner curtain rod
- Dimensions 900 x 900 mm and 1,400 x 1,400 mm
- Stainless steel tube: d=25 mm;
- Ceiling mount 500 mm; stainless steel tube d=12 mm
- U-shaped curtain rod
- Dimensions 900 x 900 x 900 mm and 1,400 x 1,400 x 1,400 mm
- Stainless steel tube: d=25 mm
- Ceiling mount 500 mm; stainless steel tube d=12 mm

For installation, use a drill of the appropriate diameter, according to the enclosed dowels. For attachment to the wall, using the enclosed screws and dowels, it is necessary to use all anchor holes.
The enclosed anchoring material is intended for sufficiently load-bearing walls (solid brick, concrete). For walls made of other materials, it is necessary to select the appropriate anchoring material.
Curtain rod

Corner curtain rod

U-shaped curtain rod



